
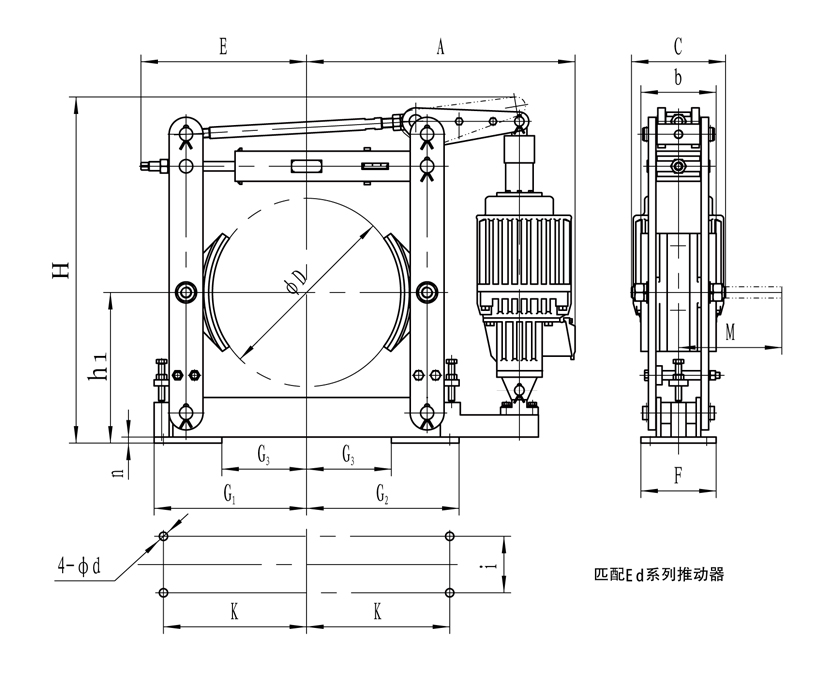
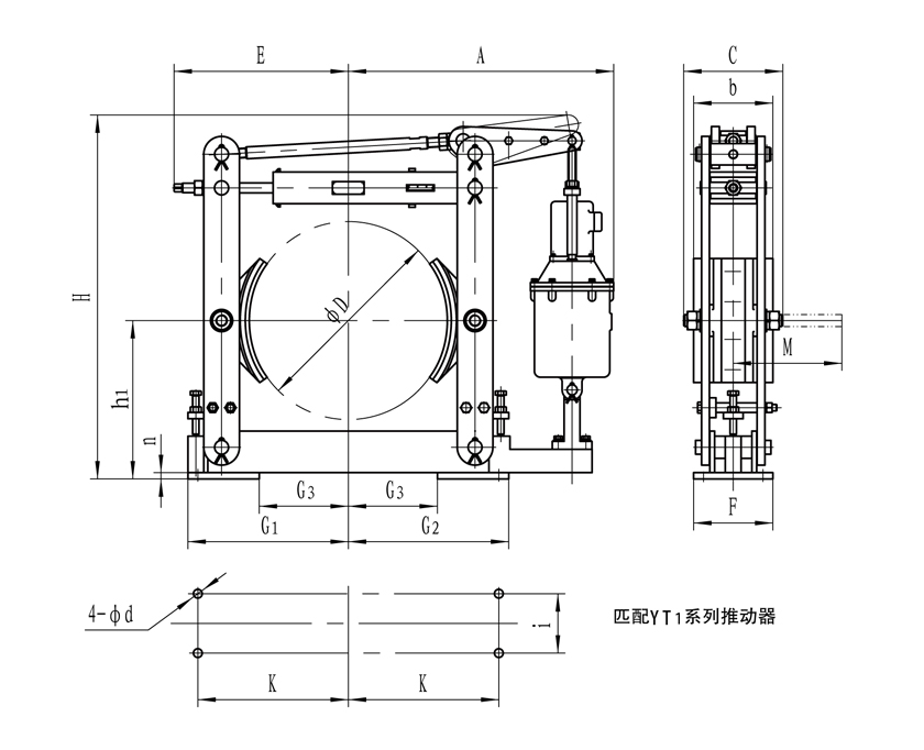
YWZ4-300/50电力液压鼓式制动器
制动器安装尺寸和制动力矩参数:符合JB/ZQ4388-1997 标准,技术要求符合JB/T6406-2006标准。
主要特点:主要摆动铰点均安装有自润滑轴承,传动效率高,使用中无需润滑。制动衬垫安装型式有两种:铆接式和插入式(订货时说明)。
使用条件:
环境温度: -20℃-50℃;
空气相对湿度不大于90%;
使用地点的海拔高度符合GB755-2000;
周围工作环境中不得有易燃、易爆及腐蚀性气体,否则应采用防腐型产品。



注:YWZ4系列制动器匹配Ed推动器,替代原YWZ4B)单位:(mm)
制动器型号 | 匹雖动器 | 制动 力矩 (Nm) | 退距 E | A | b | C | D | d | E | F | Gi | G2 | H | hi | i | K | M | n | G3 | 重量 (kg) |
YWZ4-100/E23 | Ed23/5 | 40 | 0.6 | 320 | 70 | 160 | 100 | 13 | 130 | 75 | 125 | 125 | 377 | 100 | 40 | 110 | 144 | 6 | 50 | 21 |
YWZ4-100/E30 | Ed30/5 | 100 | 340 | 70 | 442 | 24 | ||||||||||||||
YWZ4-150/E23 | Ed23/5 | 100 | 0.6 | 347 | 90 | 160 | 150 | 17 | 175 | 100 | 170 | 170 | 437 | 140 | 60 | 150 | 144 | 8 | 70 | 25 |
YWZ4-150/E30 | Ed30/5 | 120 | 461 | 29 | ||||||||||||||||
YWZ4-200/E23 | Ed23/5 | 200 | 0.7 | 430 | 90 | 160 | 200 | 17 | 210 | 100 | 195 | 195 | 436 | 170 | 60 | 175 | 156 | 8 | 95 | 31 |
YWZ4-200/E30 | Ed30/5 | 230 | 427 | 468 | 34 | |||||||||||||||
YWZ4-300/E30 | Ed30/5 | 320 | 0.7 | 487 | 140 | 160 | 300 | 22 | 290 | 130 | 275 | 275 | 595 | 240 | 80 | 250 | 213 | 10 | 125 | 65 |
YWZ4-300/E50 | Ed50/6 | 630 | 529 | 190 | 78 | |||||||||||||||
YWZ4-300/E80 | Ed80/6 | 750 | 79 | |||||||||||||||||
YWZ4-400/E50 | Ed50/6 | 1000 | 0.8 | 664 | 180 | 220 | 400 | 22 | 370 | 180 | 350 | 350 | 750 | 320 | 130 | 325 | 275 | 12 | 190 | 128 |
YWZ4-400/E80 | Ed80/6 | 1600 | 140 | |||||||||||||||||
YWZ4-400/E121 | Ed121/6 | 2000 | 653 | 240 | 764 | 155 | ||||||||||||||
YWZ4-500/E121 | Ed121/6 | 2500 | 0.8 | 713 | 200 | 250 | 500 | 22 | 440 | 200 | 405 | 405 | 919 | 400 | 150 | 380 | 310 | 16 | 225 | 210 |
YWZ4-500/E201 | Ed201/6 | 3600 | ||||||||||||||||||
YWZ4-600/E121 | Ed121/6 | 3200 | 0.8 | 848 | 240 | 315 | 600 | 26 | 555 | 220 | 500 | 500 | 1095 | 475 | 170 | 475 | 400 | 18 | 250 | 390 |
YWZ4-600/E201 | Ed201/6 | 5000 | ||||||||||||||||||
YWZ4-700/E201 | Ed201/6 | 8000 | 0.8 | 978 | 280 | 390 | 700 | 34 | 600 | 270 | 575 | 575 | 1248 | 550 | 200 | 540 | 495 | 25 | 315 | 465 |
YWZ4-700/E301 | Ed301/12 | 8650 | 1251 | 466 | ||||||||||||||||
YWZ4-800/E301 | Ed301/12 | 12500 | 0.9 | 1115 | 320 | 436 | 800 | 34 | 680 | 320 | 677 | 677 | 1417 | 600 | 240 | 620 | 556 | 25 | 367 | 885 |
产品尺寸及参数应用: ED系列私密入口3秒自动转入是集电机、离心泵、油缸为一体,结构非常紧凑的驱动控制装置,被广泛用作各种鼓式制动器和盘式制动器的驱动装置,还可用于各种工业阀门、闸门、定向摆动和转动(<90°)装置(机构)及夹紧装置的驱动装置。 符合标准 ED系列符合DIN15430标准。 主要特点 1、外壳为铸造铝合金,重量轻,外形美观; 2、电机为非油侵式结构,B级或F级绝缘(根据用户要求),耐热性好,寿命长; 3、电机接线盒设有密封,采用电缆填料函进线,牢固可靠,电气外壳防护等级达IP55; 4、电机轴和推杆均表面特殊处理,使密封件寿命大大延长; 5、油缸壳体在一侧设有平衡气室,使推动器在0-180°,任何方向安装,从而扩大其使用范围; 6、全部密封件和轴承采用世界名牌产品,密封可靠,寿命长; 7、紧固件为不锈钢材质,美观耐用。
制动器有限公司是一家集制动器的研制、开发、生产、销售、服务于一体的现代化专业公司,生产各种型号系列制动器,主要产品有:YWZ、YWZ2、YWZ3、YWZ4、YWZ5、YWZ8,YWZ9、YWZ12、YWZ13系列电力液压制动器,JZ节能电磁制动器,MW电磁制动器,QP气动钳盘式制动器,YPZ2系列臂盘式制动器,5SE电力失效保护制动器, ADP60M气动直动制动器, ADH60液压直动制动器,ST1SH液压失效保护制动器,YT1推动器,ED推动器,BYT1防爆推动器,BED防爆推动器,主要用于起重、运输、冶金、港口、建筑等机械驱动装置的机械制动,具有制动平稳、安全可靠、维修方便、耗电低、寿命长、无噪音、频率高等优点,种类齐全,质量可靠,价格低廉