
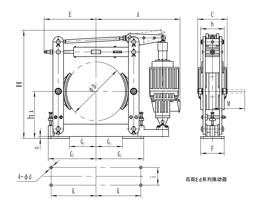
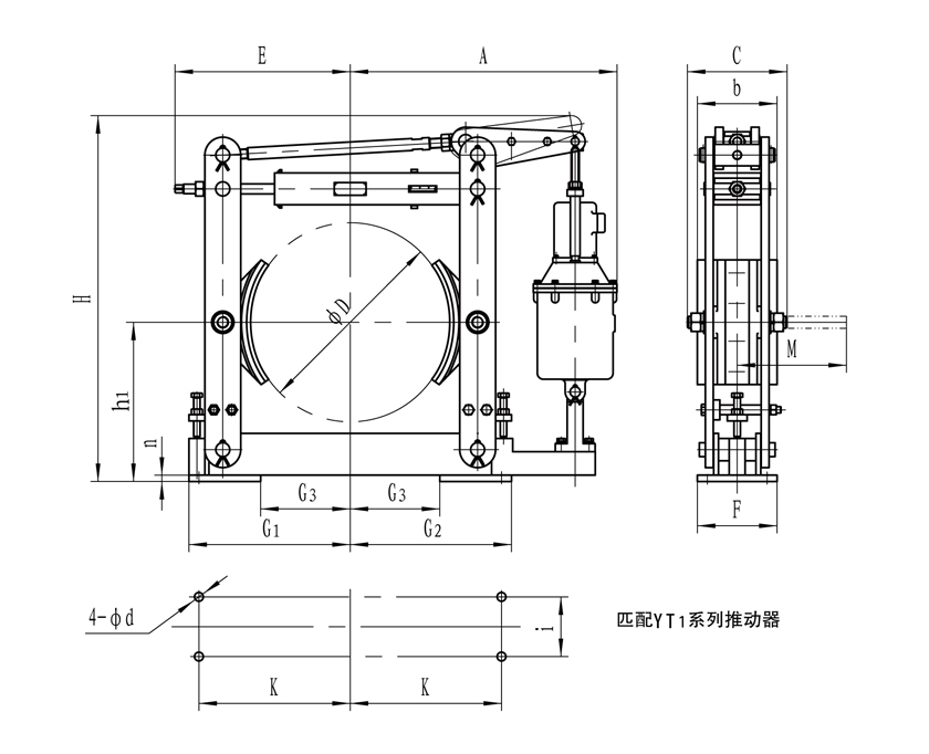
制动器安装尺寸和制动力矩参数:符合JB/ZQ4388-1997 标准,技术要求符合JB/T6406-2006标准。
主要特点:主要摆动铰点均安装有自润滑轴承,传动效率高,使用中无需润滑。制动衬垫安装型式有两种:铆接式和插入式(订货时说明)。
使用条件:
环境温度: -20℃-50℃;
空气相对湿度不大于90%;
使用地点的海拔高度符合GB755-2000;
周围工作环境中不得有易燃、易爆及腐蚀性气体,否则应采用防腐型产品。



注:YWZ4系列制动器匹配Ed推动器,替代原YWZ4B)单位:(mm)
制动器型号 | 匹雖动器 | 制动 力矩 (Nm) | 退距 E | A | b | C | D | d | E | F | Gi | G2 | H | hi | i | K | M | n | G3 | 重量 (kg) |
YWZ4-100/E23 | Ed23/5 | 40 | 0.6 | 320 | 70 | 160 | 100 | 13 | 130 | 75 | 125 | 125 | 377 | 100 | 40 | 110 | 144 | 6 | 50 | 21 |
YWZ4-100/E30 | Ed30/5 | 100 | 340 | 70 | 442 | 24 | ||||||||||||||
YWZ4-150/E23 | Ed23/5 | 100 | 0.6 | 347 | 90 | 160 | 150 | 17 | 175 | 100 | 170 | 170 | 437 | 140 | 60 | 150 | 144 | 8 | 70 | 25 |
YWZ4-150/E30 | Ed30/5 | 120 | 461 | 29 | ||||||||||||||||
YWZ4-200/E23 | Ed23/5 | 200 | 0.7 | 430 | 90 | 160 | 200 | 17 | 210 | 100 | 195 | 195 | 436 | 170 | 60 | 175 | 156 | 8 | 95 | 31 |
YWZ4-200/E30 | Ed30/5 | 230 | 427 | 468 | 34 | |||||||||||||||
YWZ4-300/E30 | Ed30/5 | 320 | 0.7 | 487 | 140 | 160 | 300 | 22 | 290 | 130 | 275 | 275 | 595 | 240 | 80 | 250 | 213 | 10 | 125 | 65 |
YWZ4-300/E50 | Ed50/6 | 630 | 529 | 190 | 78 | |||||||||||||||
YWZ4-300/E80 | Ed80/6 | 750 | 79 | |||||||||||||||||
YWZ4-400/E50 | Ed50/6 | 1000 | 0.8 | 664 | 180 | 220 | 400 | 22 | 370 | 180 | 350 | 350 | 750 | 320 | 130 | 325 | 275 | 12 | 190 | 128 |
YWZ4-400/E80 | Ed80/6 | 1600 | 140 | |||||||||||||||||
YWZ4-400/E121 | Ed121/6 | 2000 | 653 | 240 | 764 | 155 | ||||||||||||||
YWZ4-500/E121 | Ed121/6 | 2500 | 0.8 | 713 | 200 | 250 | 500 | 22 | 440 | 200 | 405 | 405 | 919 | 400 | 150 | 380 | 310 | 16 | 225 | 210 |
YWZ4-500/E201 | Ed201/6 | 3600 | ||||||||||||||||||
YWZ4-600/E121 | Ed121/6 | 3200 | 0.8 | 848 | 240 | 315 | 600 | 26 | 555 | 220 | 500 | 500 | 1095 | 475 | 170 | 475 | 400 | 18 | 250 | 390 |
YWZ4-600/E201 | Ed201/6 | 5000 | ||||||||||||||||||
YWZ4-700/E201 | Ed201/6 | 8000 | 0.8 | 978 | 280 | 390 | 700 | 34 | 600 | 270 | 575 | 575 | 1248 | 550 | 200 | 540 | 495 | 25 | 315 | 465 |
YWZ4-700/E301 | Ed301/12 | 8650 | 1251 | 466 | ||||||||||||||||
YWZ4-800/E301 | Ed301/12 | 12500 | 0.9 | 1115 | 320 | 436 | 800 | 34 | 680 | 320 | 677 | 677 | 1417 | 600 | 240 | 620 | 556 | 25 | 3 |