当前位置:当前位置:首页 > 产品中心 > 电力液压臂盘式制动器
应用:
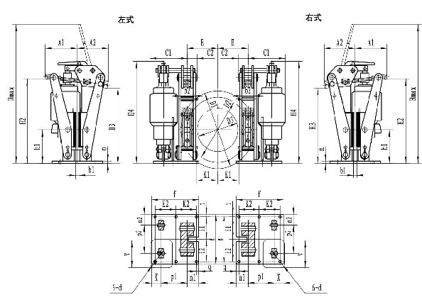
YPZ2系列电力液压盘式制动器是一种高性能、多功能的先进产品,由于其具有瓦块退距自动均等,衬垫磨损自动补偿的先进功能,使用过程中维护非常便捷。通过增设各种限位开关,可实现给主机PLC提供所需的联锁保护信号。非常适合各种现代的大型专用装卸机械、起重运输机械、冶金设备、矿山设备及工程机械中各种机构的减速和维持(停车)制动。
主要特点;
1、主要动铰点装有自润滑轴承,传动效率高,寿命长,使用过程中无需润滑;
2、联锁式退距均等装置和瓦块自动随位装置,可始终保持两侧瓦块退距均等且无需调整,完全避免因退距不均使一侧制动衬垫浮贴制动轮现象;
3、制动衬垫为卡装式整体成型结构,更换十分方便、快捷。
附加装置
1、手动释放装置;
2、释放(开闸)或闭合(闭闸)限位开关,可实现制动器是否正常释放或闭合的信号显示;
3、制动衬垫磨损自动补偿装置,可实现衬垫磨损时瓦块退距和制动力矩的无级自动补偿;
4、衬垫磨损极限限位开关,可实现制动衬垫磨损到极限时的信号注意(注:应用时须带自动补偿装置);
5、采用带下降延时阀的推动器驱动,可实现制动器的延时闭合。


